格林牌组合音响的改造升级

更多资料请到->家电维修技术论坛 发表时间 10-08 编辑:bjjdwx 浏览量: 761

GELIN9658H格林音响具有收音(FM、SW及MW波段)、磁带录放、电唱机、卡拉OK、音调控制、超低音、一路立体声音源输入及灯光显示等功能。音箱为二单元组合:低音扬声器为格林牌YD166-2A6橡皮边扬声器,高音扬声器为远声牌YDG50-1A2纸盆扬声器。音箱外形尺寸为540(高)×250(宽)×210(深)mm。音箱箱体用中密度板制作,前板厚13mm,其余板厚仅7mm。分频功能仅由一只4.7μF普通电解电容器来完成。FM波段具有自动静噪功能。笔者对这一组合音响做了如下改造:(1)保留所有音源部分,保留音调控制等前级部分。为了提高FM波段接收灵敏度,增加室内羊角天线(电视改有线接收后闲置的),也可架设室外天线以提高接收调频台个数;(2)超低音因引起失真,改造后不使用;(3)原功放IC为TA7270,功率较小,决定不用,增加新功放电路;(4)音箱改造。

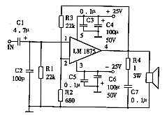
  新增功放电路 新增功放电路为图所示。图中只绘出一个声道的电路,另一声道的电路一与此相同。LM1875为单片30W功率集成电路,美国国家半导体公司(NS公司)产品,以音质甜美富有胆机味而著称,常应用于国外知名的AV功放中,是业余制作功率放大器的优选器件。用LM1875做功放时,笔者曾参考有关资料制作了“直流伺服电流负反馈功放”,该功放的音质听起来确实丰满厚实,低音的力度及音质的解析力在一定程度上都得到了改善。但是有关资料给出的元件数据要作很大调整并且还要增加辅助电路以消除高频自激,这对业余制作很困难。于是,笔者根据LM1875输出失调电压仅2μV的特点,决定取消其反馈电容(22μF接地电容),这样从理论上可使频响扩展至DC,并消除了由此电容带来的信号相移及非线性失真,使功放直流化。该功放电路稳定可靠,音质大为改善,同时也适合业余制作。当然该电路稳定可靠的是以高质量的电源和外围元件为前提。


  该功放新增加100W变压器1只,原变压器专供前级使用。所有电阻均选用NEC公司五色环电阻,小容量电容选用CBB型号,输入电容选用钽电容。
  新增功放电路板和变压器放置箱内底部空间,并相互之间保持适当距离。
  新增一双刀双掷开关,装在箱内,用于音源切换。将原箱后音源输入线从前级电路上焊下,接于双掷开关的一端,使外接优质音源直接经本功放放大,不经人为修饰,满足Hi-Fi要求:将原音调电路接至电位器的信号线从电位器上焊开,接至双掷开关的另一端,再将电位器的输出线从原功放接到本功放。连通功放接地点与原电源接地点。原音量电位器存在难以消除的噪声,换用APLS50×2电位器。将原功放所有连线断开,原功放“退役”。

  音箱改造 制作二只二分频6dB分频器(分频频率4000Hz),用以取代二只4.7μF电容器。原低音扬声器和高音扬声器因其实际性能可与市售一般音箱扬声器相比而予以保留。箱体壁太薄,需加以改造,改造步骤如下:打开后盖,内壁先用本条加固,再密存小钉子,均匀涂上5mm厚水泥混凝土,这样一是加强壁厚,二是增加重量,减少箱振,改善音质。然后衬15mm厚海绵,最后装后盖,并用玻璃胶密封。原连接音箱线为普通细线,改用市售音箱线。
  完成上述步骤后,通电试机,双掷开关拔向下,为本机音源输入,可聆听FM优质音乐广播;开关拔向上,接驳VCD,播放席琳.迪翁演唱的《泰坦尼克号》主题曲《MY HEART WILL GO ON》。优美动听的旋律令人心醉,丰富的音调得以很好的再现。
  最后为防止VCD信号电压过大,在双掷开关音源输入端,串接上二只150kΩ电阻。
  以上改造费用仅二百多元,但改造后音响性能可与市售一个多元的功放、音箱相比,完全可以满足一般家庭组建家庭影院的要求,实乃为普通组合音箱改造升级的较好方法。

本文出自家电维修网: http://www.bjjdwx.com/wz/662.html欢迎转载,转载请保留链接。
  • 刊登此文只为传递信息,并不表示赞同或者反对作者观点。
  • 如果此内容给您造成了负面影响或者损失,本站不承担任何责任。
  • 如果内容涉及版权问题,请及时与我们取得联系。
无相关信息

文章评论

共有 位网友发表了评论 查看完整内容